7824-30-1100 7824-32-1100 ECU Controller PC90-1 PC120-5 PC200-5 Control Panel Excavator Controller
- Alternative (cross code) number:7824-30-1100 7824301100
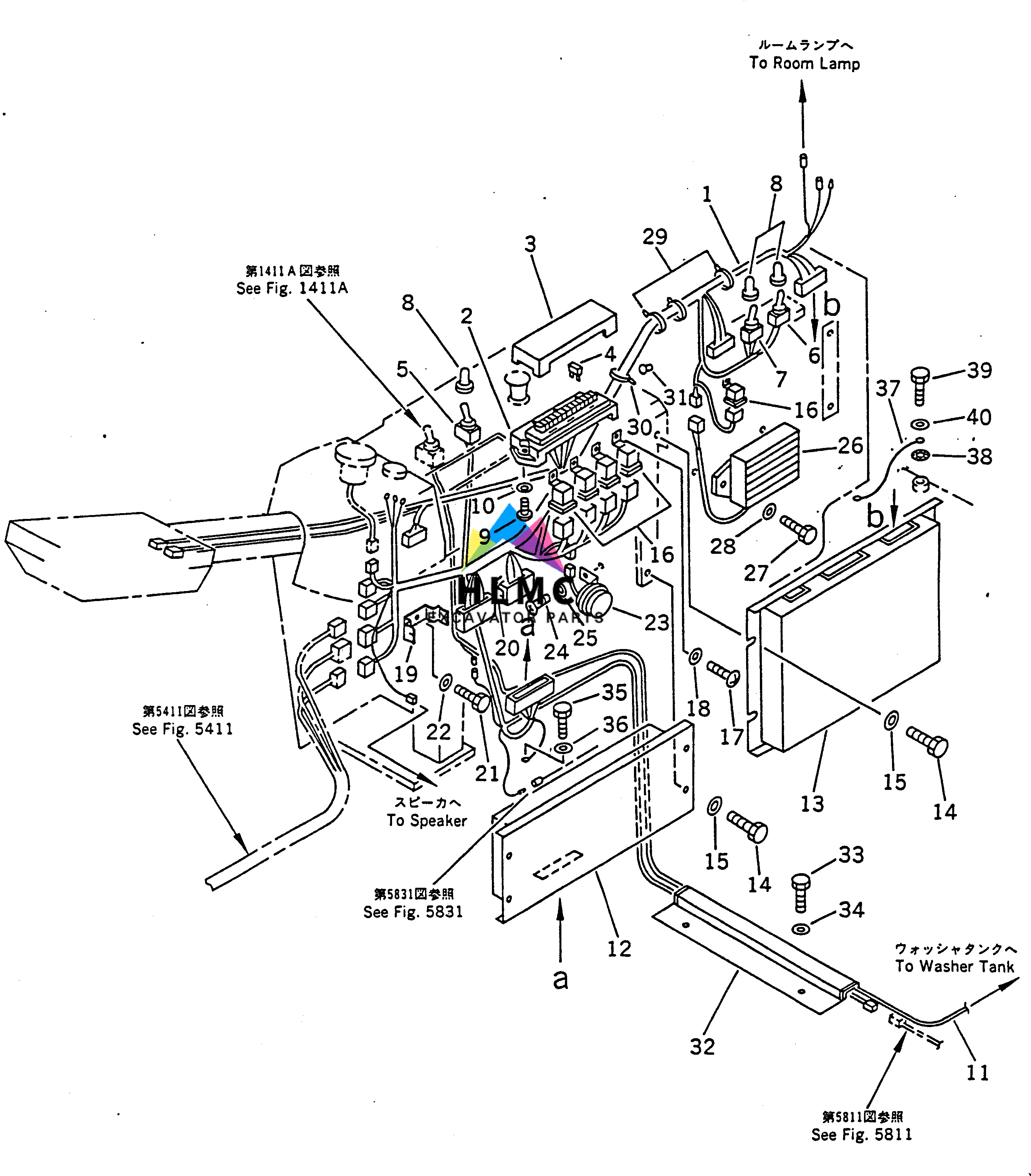
- KOMATSU 7824-30-1100 CONTROL BOX ASS’Y,GOVERNOR
- Weight: 1.6 kg.
Description
7824-30-1100 7824-32-1100 ECU Controller PC90-1 PC120-5 PC200-5 Control Panel Excavator Controller
7824-30-1100 Part Number Product Catalog

Compatible equipment models: 7824-30-1100:
EXCAVATORS PC100 PC100L PC120 PC130 Komatsu











