C6.4 Fuel Injection Nozzle Holder Seals 294-1788 Rubber Sleeve Seals 2941788 for E320D Excavator

Category:

Description

C6.4 Fuel Injection Nozzle Holder Seals 294-1788 Rubber Sleeve Seals 2941788 for E320D Excavator

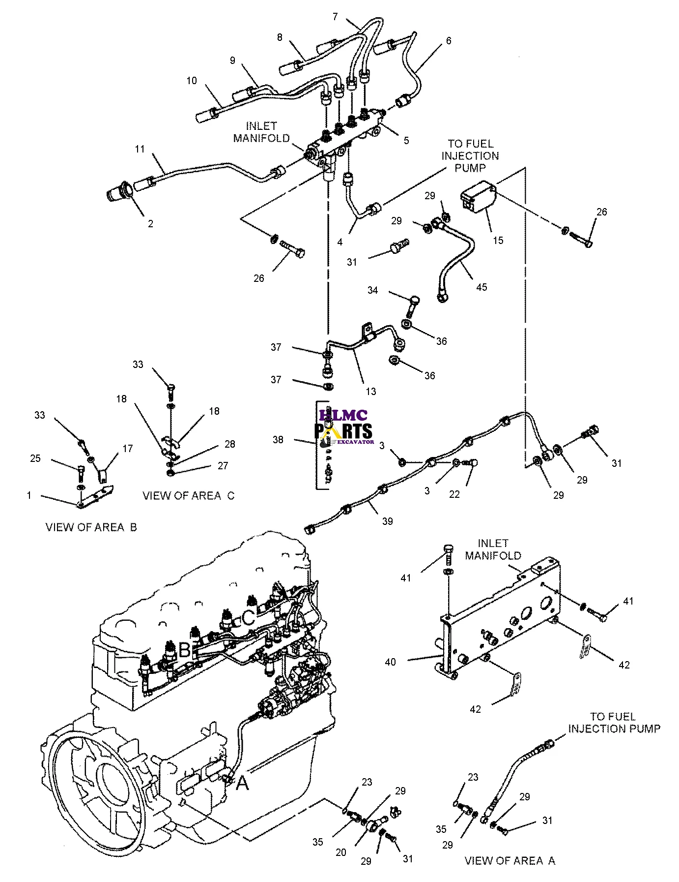
294-1788 Part Number on catalog scheme: 2

Compatible equipment models: 294-1788:

1. EXCAVATOR 311D LRR 312D 312D L 313D 314D CR 314D LCR 315D L 318D L 319D 319D L 319D LN 320D 320D FM 320D FM RR 320D GC 320D L 320D LN 320D LRR 320D RR 321D LCR 323D L 323D LN 323D SA

2. MOBILE HYD POWER UNIT 323D L 323D LN Caterpillar