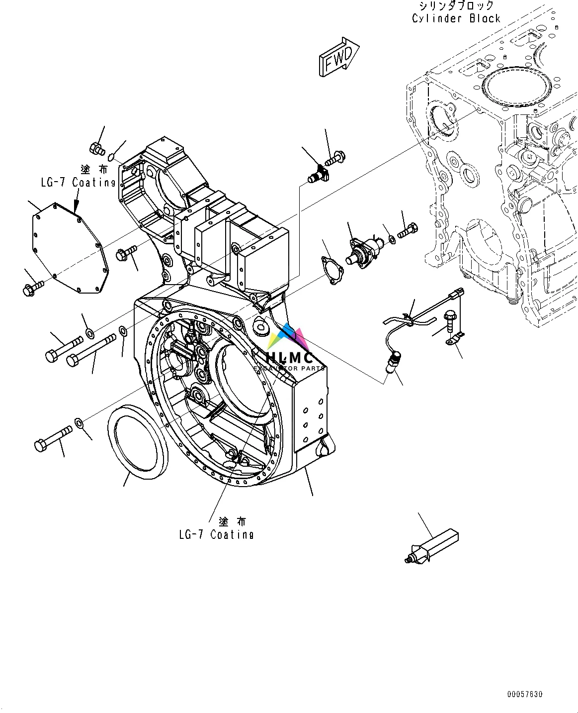
K19 QSK19 QSK19G K38 KTA38 K50 6D170 Excavator Seal Kit Crankshaft Rear Oil Seal 3005885 3870890 3016792 3628895 3016789 3016794 3016791 6240-21-4250
-
Model Name:SEAL,(FIG.A2210) 6240-21-4250 – KOMATSU
- Origin Mainland:China
- OEM NO.: 3005885 3870890 3016792 3628895 3016789 3016794 3016791 6240-21-4250
-
Alternative (cross code) number: 6240-21-4250 6240214250
Description
K19 QSK19 QSK19G K38 KTA38 K50 6D170 Excavator Seal Kit Crankshaft Rear Oil Seal 3005885 3870890 3016792 3628895 3016789 3016794 3016791 6240-21-4250
6240-21-4250 Part Number Product Installation Catalog

Compatible equipment models: 6240-21-4250:
1. ENGINES SAA6D170E
2. WHEEL LOADERS WA600 Komatsu








